- Information
-
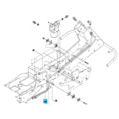
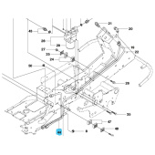
Hydraulic pipe, 5046434-01
Spare part from Husqvarna
Compatible with:
Husqvarna Rider 422 TS AWD
Husqvarna Rider Proflex 21 AWD
Would you like to search through Husqvarna parts diagrams? Then please use our spare parts catalogue. Click here to access the spare parts catalogue. Please remember to always verify the correct part number using the parts diagram for your machine. - Specifications
-
Manufacturer's part number: 504 64 34-01 , 504643401 - Files
Price history
Price history
Our lowest price 30 days:

Uk - GBP
Sweden - SEK


