- Information
-
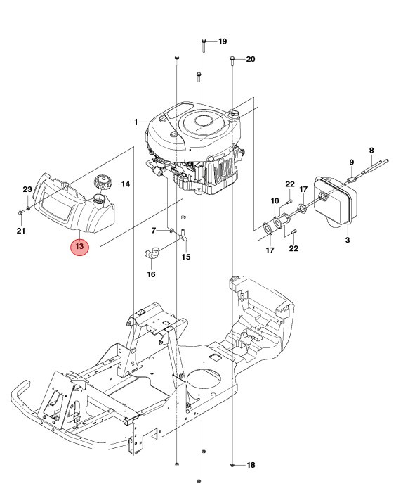
Fuel Tank, 5779158-01
Spare part from Husqvarna
Fits, among others:
McCulloch
McCulloch M105-85F (967186801)
McCulloch M105-97F (966725501, 967206801, 967207001)
McCulloch M125-85F (967295401)
McCulloch M125-85FH (967186901)
McCulloch M125-97FH (966725601, 967206901, 967207101)
Would you like to search through Husqvarna exploded views and spare parts? Then please use our spare parts catalogue. Click here to access the spare parts catalogue. Please remember to always verify the correct part number using the exploded view for your machine. - Specifications
-
Manufacturer's part number: 577 91 58-01 , 577915801 - Files
Price history
Price history
Our lowest price 30 days:

Uk - GBP
Sweden - SEK


