- Information
-
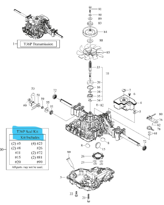
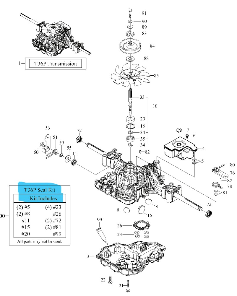
Seal kit, 5821642-01
Spare part from Husqvarna
Compatible with:
Husqvarna Rider 112C
Husqvarna Rider 115B
Husqvarna Rider 115C
Would you like to search through Husqvarna parts diagrams? Then please use our spare parts catalogue. Click here to access the spare parts catalogue. Please remember to always verify the correct part number using the parts diagram for your machine. - Specifications
-
Manufacturer's part number: 582 16 42-01 , 582164201 - Files
Price history
Price history
Our lowest price 30 days:

Sweden - SEK
Uk - GBP

