- Information
-
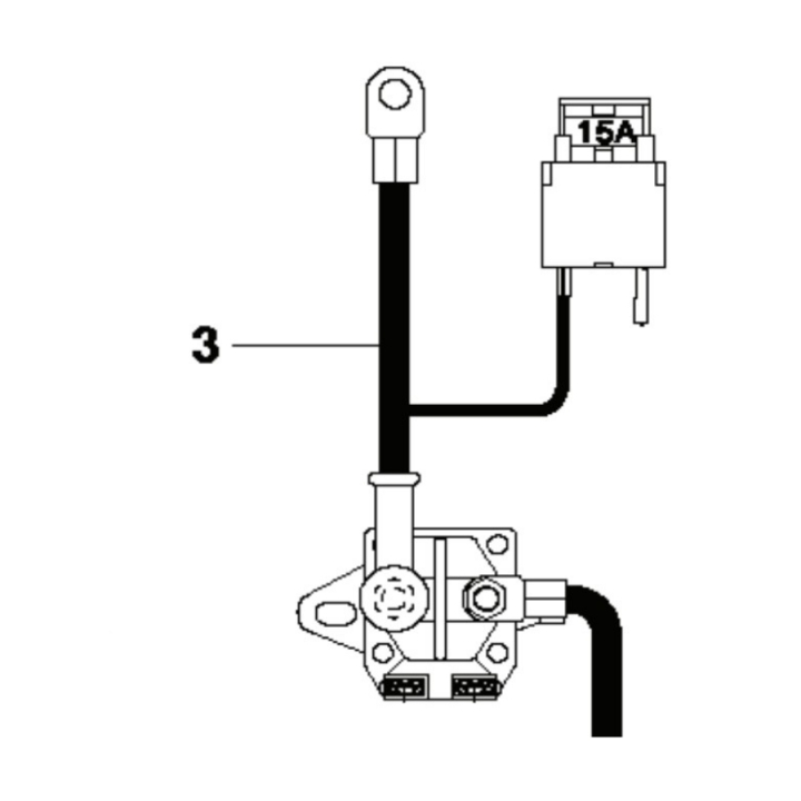
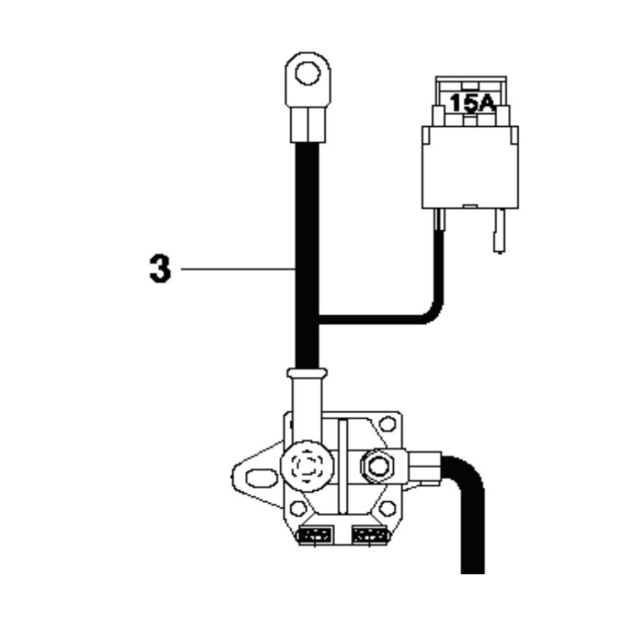
Battery positive cable, 5862488-01
Spare part from Husqvarna
Compatible with:
Jonsered
Jonsered FR 2311 M
Jonsered FR 2312 MA
Jonsered Rider 111B
Jonsered Rider 111B5
Jonsered Rider 112C
Jonsered Rider 112C5
Jonsered Rider 115B
Jonsered Rider 115C
Would you like to search through Husqvarna parts diagrams? Then please use our spare parts catalogue. Click here to access the spare parts catalogue. Please remember to always verify the correct part number using the parts diagram for your machine. - Specifications
-
Manufacturer's part number: 586 24 88-01 , 586248801 - Files
Price history
Price history
Our lowest price 30 days:

Uk - GBP
Sweden - SEK

