- Information
-
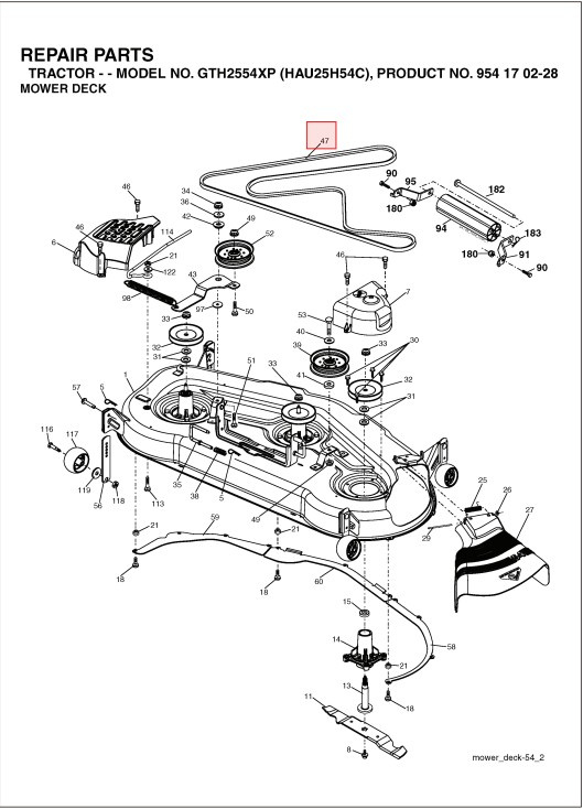
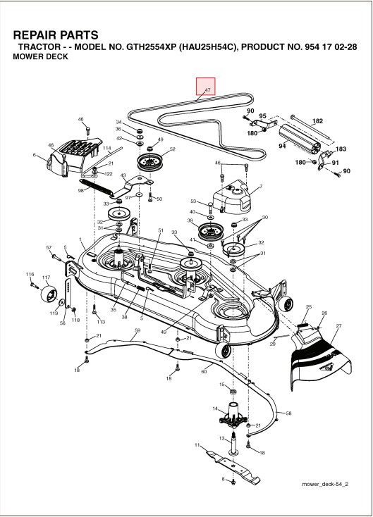
Strap 5844519-01
Spare part from Husqvarna
Compatible with:
Husqvarna GTH 2554 XP (954568427, GTH2554XPA, GTH2554XPB, HAU25H54A, HAU25H54B, HAU25H54C)
Replacing: 5321912-73
Would you like to search through Husqvarna parts diagrams? Then please use our spare parts catalogue. Click here to access the spare parts catalogue. Please remember to always verify the correct part number using the parts diagram for your machine. - Specifications
-
Manufacturer's part number: 584 45 19-01 , 584451901 - Files
Price history
Price history
Our lowest price 30 days:

Uk - GBP
Sweden - SEK


