- Information
-
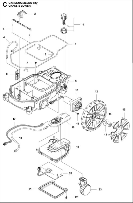
592 90 98-01 Printed Circuit Assy
Fits to
Husqvarna
Automower 115H
Flymo
Easilife
Easilife 200/350/500/800
Gardena
Sileno City, 2018->
Smart Sileno City
Sileno Life 2019->
Smart Sileno Life
McCulloch
Rob S - Specifications
-
Manufacturer's part number: 592 90 98-01 , 592909801 - Files
Price history
Price history
Our lowest price 30 days:

Uk - GBP
Sweden - SEK



