- Information
-
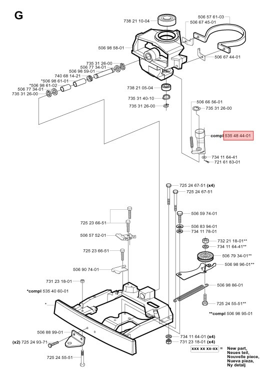
Belt tensioner - 5354844-01
Spare part for Husqvarna lawn mower/ride on mower from Husqvarna Item Parts Catalogue
Suits to(among other models):
Rider 213C Rider 214 Rider 214C Rider 214T Rider 214T AWD Rider 214TC
Replaces: 5065434-01, 506 54 34-01, 506543401, 5065951-01, 506 59 51-01, 506595101 - Specifications
-
Manufacturer's part number: 535 48 44-01 , 535 48 44-04 , 5354844-01 , 535484401 , 535484404 - Files
Price history
Price history
Our lowest price 30 days:

Sweden - SEK
Uk - GBP


