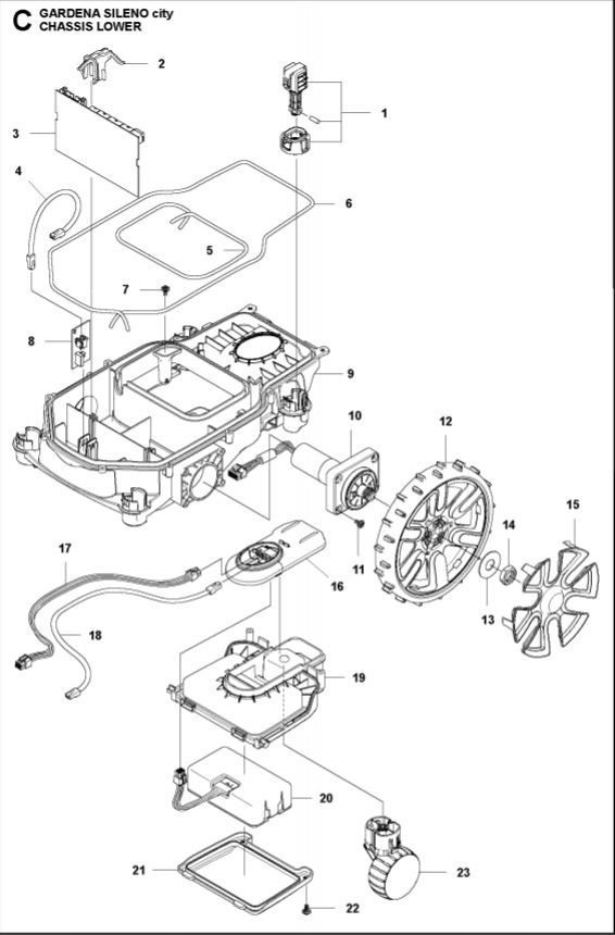
Printed Circuit Assy Mainboard Automower 305(2020-), 310, 315 Mark II, Sileno
This spare part must be programmed at an authorized Husqvarna service center after installation.
€256.90
- Information
-
592 90 99-01 Printed Circuit Assy
Fits to
Husqvarna
AUTOMOWER 115H
AUTOMOWER 305, 2020->
AUTOMOWER 310 Mark II, 2022->
AUTOMOWER 315 Mark II, 2022->
Flymo
Easilife
EasiLife 200/350/500/800
Gardena
Sileno City
Smart Sileno City
Sileno Life
Smart Sileno Life
McCulloch
Rob S - Specifications
-
Manufacturer's part number: 592 90 99-01 , 592909901 - Files
Price history
Price history
Our lowest price 30 days:

Sweden - SEK
Uk - GBP


