Are you in the right place?
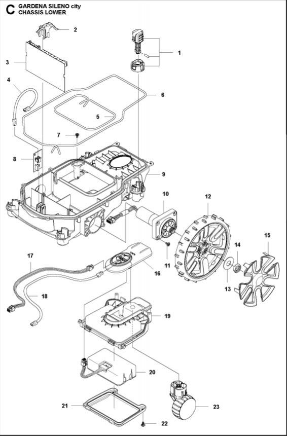
Wiring harness in the group  at Gräsklipparbutiken (5893511-01)
Wiring harness
Wiring harness
Wiring harness
Husqvarna Spare Parts
Article nr: 5893511-01

Wiring harness

 
Add to cart
  • Information
  • 589 35 11-01 Wiring Assy

    Fits to
    Gardena 
    Sileno City, 2018->
    Sileno Life 2019->
  • Specifications
  • Manufacturer's part number: 589 35 11-01 , 589351101
  • Files

Customers also bought

Charge station housing incl PCB Gardena
€190.90
5932464-02
In stock
Buy
Air Filter -1pcs
€5.66
5777537-01
In stock
Buy
Charge station housing incl PCB Gardena

News

€198.90
5474590-01
In stock
Buy
Login / Retailer