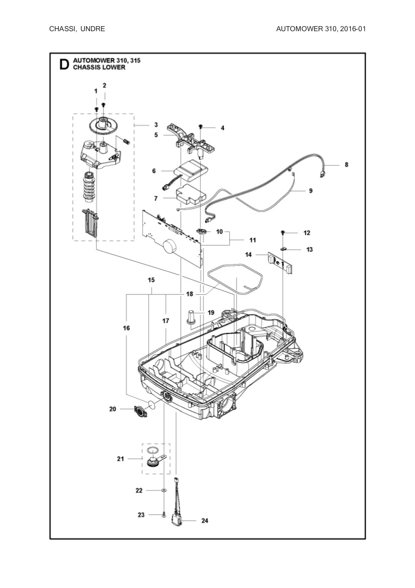
Mainboard PCB 310, 315, 315X
This spare part must be programmed at an authorized Husqvarna service center after installation.
€307.90
- Information
-
592 85 18-01 - Mainboard
Replacing 588 77 90-01, 588 77 90-02, 588 77 90-03.
Fits:
Automower 310 2016->
Automower 315 2016->
Automower 315X 2018->
Gardena:
SILENO: R100Li/R100LiC, SILENO+: R130Li/R130LiC/R160Li, 2016->
Note that all main circuit boards must be programmed in an authorized workshop after installation in a robot! - Specifications
-
Manufacturer's part number: 592 85 18-01 , 592851801 - Files
Price history
Price history
Our lowest price 30 days:

Sweden - SEK
Uk - GBP



